OAデスクM(W1,200×H700×D700)と二重床に設置するのに必要な金物、絶縁材料をセットにした商品です。
※このセット品は現場状況に合わせて製作致します。詳細打合せ後設計・製作致します。
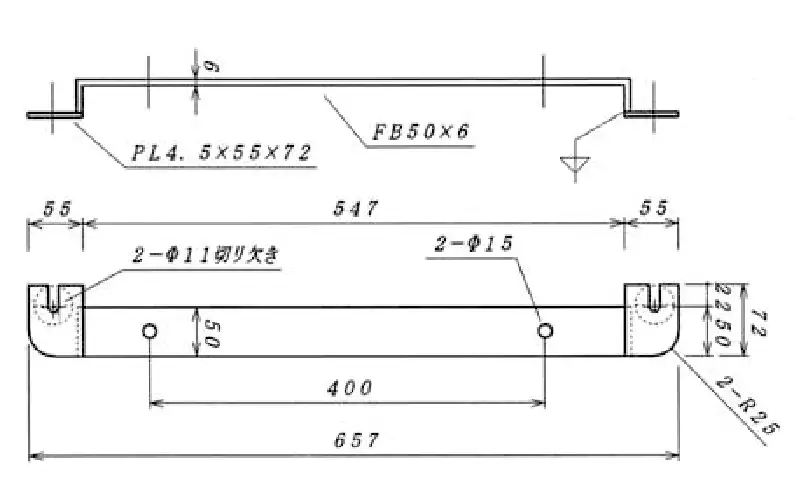
お問合せください。(下図は参考寸法です)
●各OAデスクMのサイズに合わせて対応します
構成内訳(例)
| 品名 | サイズ | 単位 | 1台当たり必要数 | 商品番号 |
|---|---|---|---|---|
| OAデスクM | W1200×H700×D700 | 個 | 1個 | DMX-H1207-F1 |
| デスク下パネル | W1199.5×D599.5×PL3.2 | 枚 | 1枚 | 2B-1200*2 |
| OAデスクM固定金物(左右各1個セット) | L657×W72×t6 | 組 | 1組 | 2B-1200NK |
| 絶縁板 | W120×D50×t8 | 個 | 4枚 | 2B-1200*4 |
| 絶縁ブッシング | φ22×φ13×φ11×H(8+10) | 個 | 4個 | 4B-KD10 |
| デスク固定用六角ボルト | M10×50(W2、SW1、N1) | 組 | 4組 | ー |
| パネル固定用六角ボルト | M12×50(W2、SW1、N1) | 組 | 4組 | ー |
| 巾着 | 縦50×横50×高さ100 | 枚 | 1枚 | 2B-1200*8 |
※価格・納期はお問合せください
デスク下パネル 参考図
OAデスクM固定金物 参考図

