パイラック®クリップ

商品番号 : 15C,19C,25C22C,31C28C,39C,51C,63C,75C70C,Z-15C,Z-19C,Z-25C22C,Z-31C28C,Z-39C,...

販売単位 : 箱、個 / ※通常営業日3~5日目出荷

仕様 商品番号 ねじサイズ 適合 販売単位 鋼製電線管呼び 鋼製電線管外径 VE管呼び PF管呼び VP管呼び Y 15C M5×20 15 15.9 — — — 箱(20個入) Y 19C M5×20 19 1...

もっと読む

DKナット

商品番号 : DKN,S-DKN

販売単位 : 袋(20個入) / ※通常営業日3~5日目出荷

仕様 商品番号 サイズ E DKN M6 S S-DKN M6 ...

もっと読む

中ナット

商品番号 : DH8N,Z-DH8N,S-DH8N,DKN,S-DKN

販売単位 : 袋(20個入) / ※通常営業日3~5日目出荷

溶融亜鉛めっき仕上げのボルトでは、めっきの付着状態により取り付かない場合がありますので、ステンレス鋼製ボルトをご使用ください。 仕様商品番号サイズ E DH8N M8 Z Z-DH8N M8 S S-DH8N M8 ...

もっと読む

チャンネル中ナット

商品番号 : DHN-W3,DHN-M10,DHN-W4,DHN-M12,Z-DHN-W3,Z-DHN-M10,Z-DHN-W4,Z-DHN-M12,S-DHNR-W3...

販売単位 : 袋(10個入) / ※通常営業日3~5日目出荷

適合ダクターチャンネル: D15タイプ、D20タイプ、 D1タイプ、D2タイプ、 D3タイプ 仕様 商品番号 t 適合 ボル卜 E DHN-W3 4.5 W3/8 E DHN-M10 4.5 M10 E DHN-W4 4.5 W1...

もっと読む

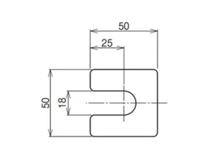
レベル調整スペーサー

商品番号 : SPU505,SPU50,SPU53,SPU56,S-SPU505,S-SPU50,S-SPU53,S-SPU55

販売単位 : / ※通常営業日  3~5日目出荷

仕様商品番号t適合販売単位 アンカーボル卜 Y SPU505 0.5 M16以下 箱(10個入) Y SPU50 1.0 M16以下 箱(10個入) E SPU53 3.0 M16以下 箱(5個入) E SPU56 6.0 M16以下 箱(5個入) S S-SPU505 0.5 M16以下 箱(10...

もっと読む